产品分类
products
联系麻豆视频下载 / contact us
地址:上海市金山区枫泾镇环东一路
邮编:201507
网址:www.jhwfbzp.com
销售部
手机:13353397666
电话:021-5648 6189
传真:021-5186 1633
商务QQ:3038069780
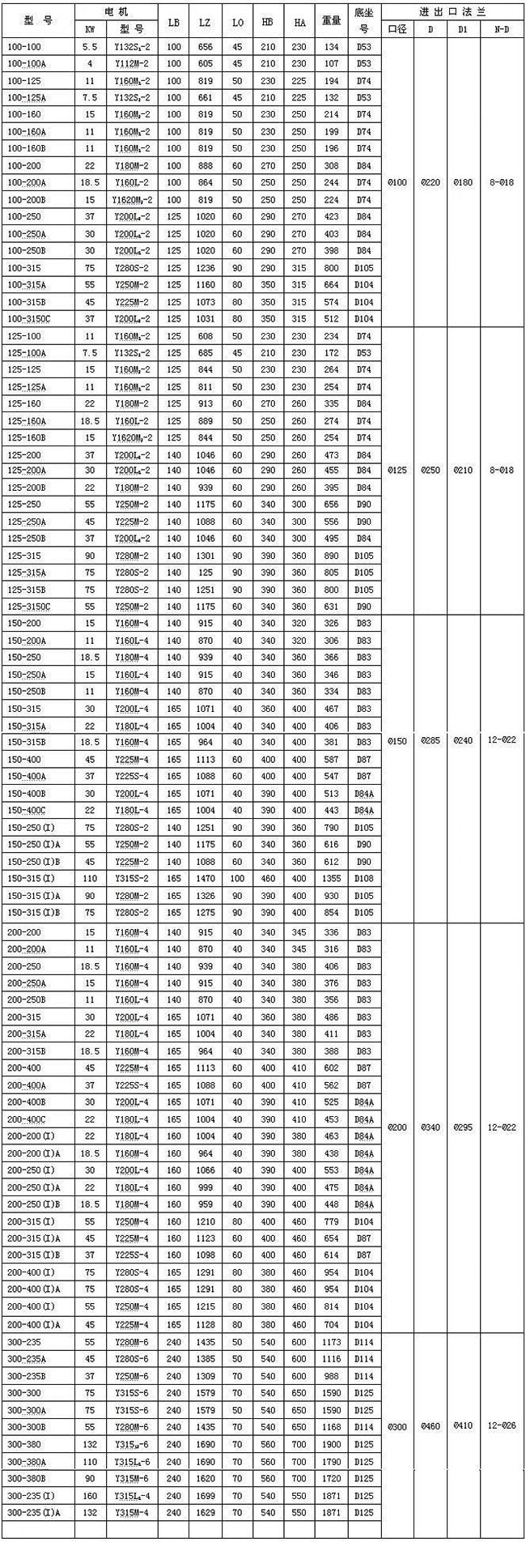
ISW单级单吸卧式管道离心泵
当前位置:首页 > ISW单级单吸卧式管道离心泵ISW单级单吸卧式管道离心泵
以下为系列产品选型范围,具体型号参考性能参数表
口径范围 : 15-500(mm)
流量范围 : 1.1-1450(m3/h)
扬程范围 : 7-150(m)
优势:
品牌知名度高、质量可靠、终身维护
常规产品现货供应
订做产品交货及时
产品特点:
运行平稳:泵轴的绝对同心度及叶轮优异的动静平衡,保证平稳运行,绝无振动。
滴水不漏:不同材质的硬质合金密封,保证了不同介质输送均无泄漏。
噪音低:两个低噪音轴承支撑下的水泵,运转平稳,除电机微弱声响,基本无噪音。
故障率低:结构简单合理,关键部分采用国际一流品质;配套,整机无故障工作时间大大提高。
维修方便:更换密封、轴承,简易方便。
占地更省:出口可向左、向右、向上三个方向,便于管道布置安装,节省空间。
工作条件:
1、吸入压力≤1.6MPa,或泵系统最高工作压力 ≤1.6MPa,即泵吸入口压力+泵扬程≤1.6MPa、泵静压试验压力为2.5MPa,订货时请注明系统工作压力。泵系统工作压力大于1.6MPa时应 在订货时另行提出,以便在制造时泵的过流部分和联接部分采用铸钢材料。
2、环境温度<40℃,相对湿度<95%。< p="">
3、所输送介质中固体颗粒体积含量不超过单位体积的0.1%,粒度<0.2mm。< p="">
注:如使用介质为带有细小颗粒,请在订货时注明,以便厂家采用耐磨式机械密封。
适用范围
1、ISW卧式清水泵,供输送清水及物理化学性质类似于清水的其他液体之用,适用于工业和城市给排水,高层建筑增压送水,园林喷灌,消防增压,远距离输送,暖通制冷循环、浴室等冷暖水循环增压及设备配套,使用温度T≤80℃。
2、ISWR卧式热水泵广泛适用于:冶金、化工、纺织、造纸、以及宾馆饭店等锅炉热水增压循环输送及城市采暖系统,ISWR型使用温度T≤120℃。
3、lSWH卧式化工泵,供输送不含固体颗料,具有腐蚀性,粘度类似于水的液体,适用于石油、化工、冶金、电力、造纸、食品制药和合成纤维等部门,使用温度为-20~C~+120℃。
4、lSWB卧式管道油泵,供输送汽油、煤油、柴油等用油类产品或易燃、易爆液体,被输送介质温度为一20~C~+120℃。









